Skymaster Forum  

Go Back   Skymaster Forum > Messages
Register FAQ Members List Calendar Today's Posts

Reply
Thread Tools Rate Thread Display Modes
  #1  
Unread 08-21-22, 08:25 PM
SteveG's Avatar
SteveG SteveG is offline
Registered User
 
Join Date: Mar 2003
Posts: 137
SteveG is an unknown quantity at this point
engine shock mount SDR

I recently undertook what at first appeared to be the straight forward task of replacing the rear engine shock mounts on an A model. But, as usual, the job goes south pretty quickly. The problem first manifested itself as not being able to torque the thru-bolt to the specified value without the nut just bottoming out on the last thread. Pulling it back off and inspecting to understand the problem it becomes apparent that the shock mount, part no. J-9613-31 by Lord, does not fit the application. The mount's design is intended to have the flange surface of the two halves meet in the middle of the engine mount spacer and the internal spacer mate with the upper and lower shock mount components once the assembly has been compressed to the proper preload. But in my instance the engine mount spacer plus the mounting plate is too thick to allow either of these parameters to be met. The removed parts are the same as the new so this aircraft has not had, for at least the last twenty years that I'm familiar with, a properly fitting shock mount. I believe this leads to premature failure, which at the usurious price of $300 each is undesirable, along with engine sagging misalignment and increased vibration being transmitted into the airframe and the resulting noise and stress fractures.

So, my questions to you all are: has anyone else previously identified this problem and if so how was it dealt with? how widespread is this condition? do other models have a different configuration or are we all operating with misfit shock mounts? are other make & model aircraft involved?

I've been corresponding with the product engineers at Lord but so far they have just said "we're looking into it". I "fixed" the problem by inserting an additional spacer between the mount halves and adding washers to the internal spacer to make up the gap. I'd be most interested to have feedback from other operators concerning this matter. It's hard to comprehend how the correct part no. does not fit the application.

Regards, Steve G.
Reply With Quote
  #2  
Unread 09-09-22, 10:27 AM
cessnadriver's Avatar
cessnadriver cessnadriver is offline
Registered User
 
Join Date: May 2010
Location: Kempner, TX
Posts: 359
cessnadriver is on a distinguished road
engine shock mount SDR

SteveG-
Hello, I replaced the rear mounts. But I used the Barry mounts, at $75 per set, bought them from a Global salvage. It was the correct mount listed on the Barry Mount website. I did have a problem with them, I had to remove one of the washer under the nut but it was fine since the mount has a very thick material on the mount halves. My biggest problem was to get the damn bolts to line-up. I had to use all sorts of pry bars and adjust the hoist to get them in line.
Good luck, BILLS
Reply With Quote
  #3  
Unread 09-11-22, 10:55 AM
SteveG's Avatar
SteveG SteveG is offline
Registered User
 
Join Date: Mar 2003
Posts: 137
SteveG is an unknown quantity at this point
update

Thanks for the reply Bill. Yes, the work requires some patience but if you only remove one mounting bolt at a time you can maintain the overall alignment and it will go back just as it came out.

In examining the various shock mount part numbers it appears that the Lord J-9613-31 and the Barry 94017-01 are only used on Skymasters but are common to all model years. Therefore it would appear that the issue is confined to Skymasters but affects the entire fleet.

My conversation with the engineers at Lord has come to an abrupt halt. Seems that the lawyers or accountants or both have gotten to the engineering department and told them they cannot discuss this outside the company because in a schizophrenic about face the discussion turned on a dime from one of concern and intellectual curiosity to adamant denial.

I have to admit that I've been somewhat amazed that I can suggest that we are all operating with shock mounts that do not fit and are not performing as intended and that not one person has any comment or concern or any insight to contribute. But at least the issue is now documented in the forum for the use of any future search. Still, was it something I said? "I washed me face and hands before I come, I did." Eliza Doolittle.
Reply With Quote
  #4  
Unread 09-11-22, 12:03 PM
mshac's Avatar
mshac mshac is offline
Registered User
 
Join Date: Aug 2020
Location: North Texas
Posts: 769
mshac is on a distinguished road
This thread would be SO much more effective if it had PHOTOS!

Most of owners don't know the ins and outs of Lord mounts, halves, spacers, etc. because we've never dealt with them. If this issue is serious, please DOCUMENT it with photos, and copies of your emails with the Lord engineers. Thank you!
Reply With Quote
  #5  
Unread 09-11-22, 04:56 PM
wslade2 wslade2 is offline
Registered User
 
Join Date: Feb 2016
Location: none
Posts: 304
wslade2 is on a distinguished road
Yes, photo helpful; have not ignored your post but carefully followed the wording to be sure I understand. I'm straining my memory banks. I did mounts a couple years ago. I'm pretty sure they were Lord mounts. And difficult to find a complete set. Getting them in was a wrestle. Seems like they bottomed out (as you're describing), everything looked ok and rubber was snug, so I called it a day there. Will look next time I am out at airplane and review manual too.

Are you saying once everything is tightened the rubber And the mount isn't snug? There's play?

Last edited by wslade2 : 09-11-22 at 04:59 PM.
Reply With Quote
  #6  
Unread 09-11-22, 06:59 PM
SteveG's Avatar
SteveG SteveG is offline
Registered User
 
Join Date: Mar 2003
Posts: 137
SteveG is an unknown quantity at this point
pictures

Hopefully these photos illustrates the issue graphically. The mount halves are designed to meet using a 0.620" spacer between them but my (our?) spacers are 0.770" thick leaving a 0.150" gap that cannot be made up. This issue also translates to the internal spacer which defines the amount of compression preload. Its length is designed to permit 0.410" of compression but because the mount halves never meet one would have to compress the mount 0.560" to tighten, a distance that cannot be realized with the length of threads available and is 37% greater than intended. As is, the mount never becomes a unified, stressed assembly as designed. The engine is just hanging off the upper mount half.

The thickness of the engine mount spacer, not including the flange which extends through the mounting plate, is compatible with the 0.310" flange of the two shock mount halves. I'm beginning to believe that the part was never designed correctly by Cessna and that this issue has existed from birth. Hard to fathom but I have no other explanation.
Attached Images
File Type: jpg IMG_0739.1.jpg (178.8 KB, 9654 views)
File Type: jpg IMG_0740.1.jpg (238.0 KB, 9717 views)
Reply With Quote
  #7  
Unread 09-11-22, 07:43 PM
mshac's Avatar
mshac mshac is offline
Registered User
 
Join Date: Aug 2020
Location: North Texas
Posts: 769
mshac is on a distinguished road
Thank you for the photos. What if the spacer were milled down .150?
Reply With Quote
  #8  
Unread 09-11-22, 11:28 PM
Kim Geyer Kim Geyer is offline
Registered User
 
Join Date: May 2002
Location: Bahama, NC
Posts: 304
Kim Geyer is an unknown quantity at this point
I’ve changed many Skymaster engines over the years and I know they can be a pain.
Get your parts book and make sure your hardware is correct for each corner. The p/n for the mount is correct and they don’t touch each other in the middle of the mount.
Reply With Quote
  #9  
Unread 09-12-22, 11:58 AM
SteveG's Avatar
SteveG SteveG is offline
Registered User
 
Join Date: Mar 2003
Posts: 137
SteveG is an unknown quantity at this point
I briefly considered altering the engine mount spacer but that would change the entire dynafocal geometry. Wasn't willing to go there. A work-around that I do believe has merit is to add a spacer to close the gap between shock mount halves and to add a like length to the internal spacer through the use of standard flat washers. This is obviously an "extrajudicial" solution and therefore "experimental". See attached photos.

Although I respect the considerable experience Kim has with these aircraft I do not understand his comments. The exact mounting hardware used is not relevant to this discussion. And his contention that the shock mount halves do not meet in the middle is just a restatement of exactly the problem, they are supposed to meet. Their meeting is necessary to carry the load across the entire cross-section of the mount and into the lower mount half and even more importantly the length of the internal spacer is predicated on that relationship. As is the internal spacer is just rattling about doing nothing.
Attached Images
File Type: jpg IMG_0745.1.jpg (189.4 KB, 9663 views)
File Type: jpg IMG_0753.1.jpg (196.1 KB, 9531 views)
Reply With Quote
  #10  
Unread 09-12-22, 03:17 PM
Kim Geyer Kim Geyer is offline
Registered User
 
Join Date: May 2002
Location: Bahama, NC
Posts: 304
Kim Geyer is an unknown quantity at this point
If you have a parts manual use the hardware stack as show if the nut bottoms out on the bolt before the mount halves have contacted the internal space then add a washer under the nut and again the mount halves do not contact each other inside the mount if they do the mounts will be able to move inside the engine mount frame and that’s not good.
I’ve done 24 in the last few years. I do know how they go
I don’t mean to be snarky, I want to make sure you get it right
Reply With Quote
  #11  
Unread 09-13-22, 01:36 PM
SteveG's Avatar
SteveG SteveG is offline
Registered User
 
Join Date: Mar 2003
Posts: 137
SteveG is an unknown quantity at this point
Kim, I appreciate your taking the time to consider this situation and for all that you
contribute to this forum. A well reasoned argument is never snarky and would never be
taken as such. We are both trying to achieve the same ends; to realize a shock mount
installation that is in conformance with its design intentions and is performing optimally.
However, please indulge my continued skepticism the reasons for which I shall endeavor
to set forth as follows:

Firstly, yes, if the mount halves were to make contact with one another grossly in
advance of contacting the engine mount spacer it is conceivable that the assembly could
fail to achieve unity however these parts are designed and manufactured to close
tolerances. The outside diameter of the mount flanges are just a sliding fit within the
inside diameter of the engine mount spacer. When the assembly is drawn together using a
7/16” diameter fastener tightened to 40 lb-ft of torque a tremendous clamping force is
achieved unifying the component parts in tension along their mating surfaces. They’re
not going anywhere.

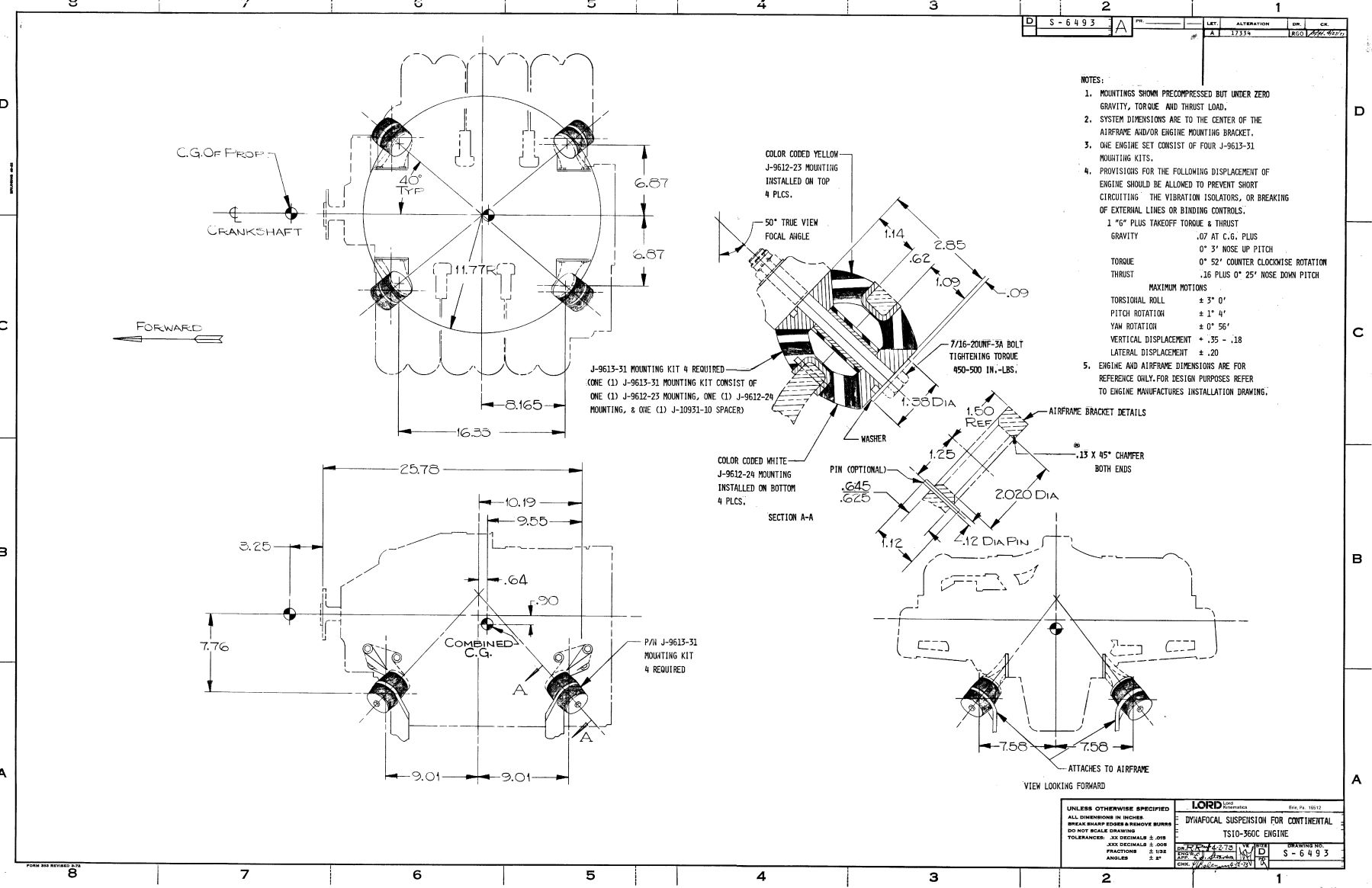
Secondly, I have attached hereto Lord Engineering drawing no. S-6493
detailing the design installation configuration for the J-9613-31 mounting kit and its
component parts. I would draw your attention to the cross-sectional view in the upper right
hand corner which depicts a single mating line through the forward and reverse C’s of the
metallic shoulder and flange of the mount halves. There is no double line indicating the
intention of a gap of 0.15” or of any similar magnitude. Also, please note the dimension of
0.62” across the mouth of the C's. In other words a dimension of 0.31” as being the flange
height of each mount half. These values can be confirmed by measurement of the actual
part. In short, this manufacturers technical drawing conclusively depicts the installed shock
mount halves are intended to mate upon assembly.

Thirdly, with respect to achieving the proper preload compression using an AN7 bolt, this
is the issue which started this whole critical investigation. The internal length of the
mated, uncompressed mount halves minus the length of the internal spacer is 0.41”. This
dimension could be called the compression distance. When the mount halves are
separated by 0.15” this compression distance increases to 0.56”. The length of threads on
this bolt is somewhat variable depending a manufacturer but is generally between 0.5”
and 0.6”. On the new hardware purchased for this installation the thread length measured
approximately 0.5”. Subtracting 0.1” to allow the nut to be started on the first full turn of
thread leaves 0.4” to 0.5” of thread available to do useful work. This is marginally
sufficient to accomplish 0.41” of compression distance in the mated configuration but is
wholly inadequate to realize the 0.56” of compression distance which would be required
to achieve capturing the internal spacer in the gap configuration. And, if one had a
fastener of sufficient thread length to realize the mating of the upper and lower mount
halves with the internal spacer, the resulting compression of the mount would be some
37% greater than the design intention. This significantly stiffens the assembly ( degrades
its elasticity ) and compromises its ability to capture and isolate vibration passing into
it.

I find the forgoing compelling evidence to conclude that these mounts, as employed in
this application, fail to conform to their approved design criteria and are performing less
than optimally. If you have access to data which allows for a reasonable alternative
conclusion I would be most interested in considering same.

Sometimes the “facts” that we are most sure of are the same “facts” that contain the
greatest error.
Attached Images
File Type: jpg S-6493 snip.jpg (240.9 KB, 9530 views)
Reply With Quote
  #12  
Unread 09-13-22, 08:09 PM
Kim Geyer Kim Geyer is offline
Registered User
 
Join Date: May 2002
Location: Bahama, NC
Posts: 304
Kim Geyer is an unknown quantity at this point
Whatever you want to do
Reply With Quote
Reply



Posting Rules
You may not post new threads
You may not post replies
You may not post attachments
You may not edit your posts

vB code is On
Smilies are On
[IMG] code is Off
HTML code is Off
Forum Jump


All times are GMT -4. The time now is 03:46 AM.


Powered by vBulletin® Version 3.6.9
Copyright ©2000 - 2026, Jelsoft Enterprises Ltd.