Skymaster Forum  

Go Back   Skymaster Forum > Messages
Register FAQ Members List Calendar Today's Posts

Reply
 
Thread Tools Rate Thread Display Modes
  #1  
Unread 07-22-21, 01:04 PM
Tim Wang Tim Wang is offline
Registered User
 
Join Date: Jun 2018
Location: Canada
Posts: 30
Tim Wang is on a distinguished road
Unhappy Aileron controls seized

I own a 1967 C337B model and the issue is that the ailerons are seized. It was parked outside over the winter waiting for it's annual to be done. The AME was busy and it sat for months. Now the ailerons don't budge. Tried penetrating oil and removing cable from servo motor without success. The previous owner informed me that there are tubes and bushings in each wing that corrosion can cause the cables to seize. Where is the located and can it be checked? Next step is to remove each cable from the yoke and see if either the left or right side is free and go from there to try and localize the problem.
Any help is appreciated.
Reply With Quote
  #2  
Unread 07-23-21, 12:42 AM
wslade2 wslade2 is offline
Registered User
 
Join Date: Feb 2016
Location: none
Posts: 304
wslade2 is on a distinguished road
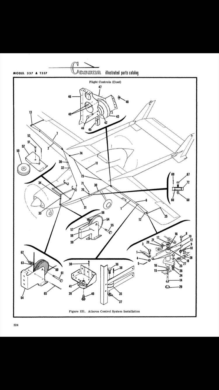
Hope I have successfully attached images showing the aileron control system. On underside of wing out by ailerons you’ll find access panel and once removed see the bell crank and push tube.
I had a problem with servo for autopilot restricting movement. I ended up disconnecting servo connection from bell crank. I have a 400 autopilot. The servo connection will be on the passenger side bell crank.
Also had pulley at wing strut cause resistance that freed up with lubrication. To see these cables wing strut covers come off. The cables run under the floor, up the strut out to bell crank near end of wing.
I would lube everything up before disconnecting cables.
There’s a fair number of twists and turns in the system, try to look at everything which can be a number of access panels and plates. If you take a cable off it could jump a number of pulleys. So I would identify the bind if possible with cables in place.
One of the attachments is a zoom in on the bell crank. Being outside over the winter I would give that push tube attachment to ailerons some attention.
One of the turns is under the plate under the pilot feet where heater vent is up by rudder pedals. You’ll have to take apart that heater vent in the floor to see and lube it.
Make sure nothing hasn’t jumped off a pulley.
Attached Images
File Type: png C8D31FA1-9CFE-48FA-A357-E0E865DB3731.png (244.0 KB, 2182 views)
File Type: png B065AC8C-7275-4281-80C1-C08CA66F30D4.png (250.9 KB, 2095 views)

Last edited by wslade2 : 07-23-21 at 01:14 AM.
Reply With Quote
  #3  
Unread 07-23-21, 09:54 AM
mshac's Avatar
mshac mshac is offline
Registered User
 
Join Date: Aug 2020
Location: North Texas
Posts: 769
mshac is on a distinguished road
Here is the "ailerons stuck" troubleshooting guide from the manual
Attached Images
File Type: jpg AIleron issues.JPG (117.0 KB, 2197 views)
Reply With Quote
  #4  
Unread 07-23-21, 12:00 PM
Tim Wang Tim Wang is offline
Registered User
 
Join Date: Jun 2018
Location: Canada
Posts: 30
Tim Wang is on a distinguished road
Smile

Thank you for all your assistance! I'm happy the say the ailerons are now working again. The lubrication of the bell crank seemed to do the trick.
Reply With Quote
Reply



Posting Rules
You may not post new threads
You may not post replies
You may not post attachments
You may not edit your posts

vB code is On
Smilies are On
[IMG] code is Off
HTML code is Off
Forum Jump


All times are GMT -4. The time now is 01:55 AM.


Powered by vBulletin® Version 3.6.9
Copyright ©2000 - 2026, Jelsoft Enterprises Ltd.