Skymaster Forum  

Go Back   Skymaster Forum > Messages
Register FAQ Members List Calendar Today's Posts

Reply
Thread Tools Rate Thread Display Modes
  #1  
Unread 05-11-08, 05:19 PM
skymstr02's Avatar
skymstr02 skymstr02 is offline
Registered User
 
Join Date: Apr 2002
Location: Madison, MS
Posts: 329
skymstr02 is an unknown quantity at this point
Need Help with Part Numbers

I've got an O-2A, with the Ozone hydraulic power pack. The military illustrated parts catalog doesn't have the O rings that go on the gear door spool and the solenoid on the front of the power pack, and I can't find my 337 parts book since my last move.

Can someone with a 1965-1969 337 parts catalog look those numbers up for me please? There are four O rings on the spool, and the one O ring on the solenoid.

Thanks!

Dave
Reply With Quote
  #2  
Unread 05-11-08, 08:50 PM
Ernie Martin's Avatar
Ernie Martin Ernie Martin is offline
Administrator
 
Join Date: Apr 2002
Location: Miami, Florida
Posts: 990
Ernie Martin is an unknown quantity at this point
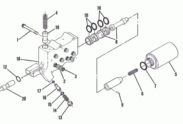
The figure below is the power pack manifold assy for Cessna 337 1965-1969. Item 5 is the solenoid and item 8 is the sleeve and spool. Item 7 P/N is MS28775-018 and item 10 P/N is MS28775-016.

Ernie
Attached Thumbnails
Click image for larger version

Name:	337 hydraulicS.jpg
Views:	1519
Size:	30.1 KB
ID:	583  
Reply With Quote
  #3  
Unread 05-12-08, 06:23 AM
skymstr02's Avatar
skymstr02 skymstr02 is offline
Registered User
 
Join Date: Apr 2002
Location: Madison, MS
Posts: 329
skymstr02 is an unknown quantity at this point
Thanks Ernie!

Dave
Reply With Quote
Reply



Posting Rules
You may not post new threads
You may not post replies
You may not post attachments
You may not edit your posts

vB code is On
Smilies are On
[IMG] code is Off
HTML code is Off
Forum Jump


All times are GMT -4. The time now is 12:10 AM.


Powered by vBulletin® Version 3.6.9
Copyright ©2000 - 2026, Jelsoft Enterprises Ltd.